Switch W Abg

06 Yamaha Vx1100 Cruiser Deluxe Sport Service Repair Manual

Energies Free Full Text Predictive Direct Power Control For Dual Active Bridge Multilevel Inverter Based On Conservative Power Theory Html

9 Wires Scooter Gy6 B08 Right Disc Brake Handle Switch With Kill Switch Scooter Electrical Switches Relays Bennysberries Auto Parts Accessories
Switch W Abg のギャラリー

9 Wires Scooter Gy6 B08 Right Disc Brake Handle Switch With Kill Switch Scooter Electrical Switches Relays Bennysberries Auto Parts Accessories

Cps 110 Cpu Scheduling Landon Cox February 7

Nintendo Switch Lite Nintendo Switch Family Nintendo

Ignition Switch 6 Wire Kawasaki Kmx 125 B1 1986 Aeroarcade In

Abc Switch With Three Inputs True Bypass Bright Onion Pedals

Sales Guide Dgs8000 Series Chassis Switch Dlink Hq

Product Overview Welcome To Munich Netgear S Product

Sonoff Smart Switch Sonoff Mini For Living Room Study Bedroom App Control Timing Function Mini Style Wifi Wired Wireless 100 240 V 21 10 49

Product Overview Welcome To Munich Netgear S Product

A E 0 Gray And E 0 Black For Days Of Ice Core Collection B Download Scientific Diagram

Service Manual Service Supplement Dvd Vcr Combi Manualzz

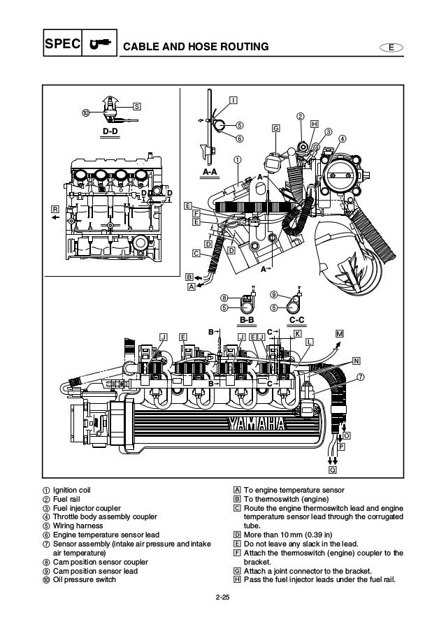
06 Yamaha Vx1100 Cruiser Deluxe Sport Service Repair Manual

G Switch 3 Play G Switch 3 On Poki

9 Wires Scooter Gy6 B08 Right Disc Brake Handle Switch With Kill Switch Scooter Electrical Switches Relays Bennysberries Auto Parts Accessories

E Double Ratios At O A For Pythia 6 125 With Mass Switch On And Off Download Scientific Diagram

Phlipton Wifi Modular Smart Touch Switch For Home Automation Compatible With Alexa And Google Home App Controlled Roma Black 2 Touch 16a Amazon In Home Improvement

Entering Letters

04 10 Vw Volkswagen Touareg Hazard Warning Emergency Flashers Light Switch Auto Parts And Vehicles Trilliumaddis Auto Parts Accessories

G Switch 3 Play G Switch 3 On Poki

Epcwhtqyiicxpm

5pcs Basic Smart Wifi Wireless Switch Timer Voice App Remote Control Uk

Buy Rf Switch Wifi Best Deals On Rf Switch Wifi From Global Rf Switch Wifi Suppliers 80ac57 Workingdogsthlm

H B G G Q Minecraft Pocket Edition Minecraft Pocket Edition

Pdf Syntactic Structure And Social Function Of Code Switching

Sales Guide Dgs8000 Series Chassis Switch Dlink Hq

A B Switch Circuit Mod Wiggler

Oil Polyhydron Pressure Switch Rs 1500 Pc Vnm Hydrotek Id

Washer Water Level Pressure Switch Free 1 Year Warranty 3906 Major Appliances Washer Dryer Parts

Phlipton Wifi Modular Smart Touch Switch For Home Automation Compatible With Alexa And Google Home App Controlled Roma Black 2 Touch 16a Amazon In Home Improvement

Pdf The French Algerian Code Switching Triggered Audio Corpus Facst

06 Yamaha Vx1100 Cruiser Deluxe Sport Service Repair Manual

Yamaha F60 User Manual Manualzz
E Original Xiaomi Mi Wifi Router 4c 64 Ram 802 11 B G N 2 4ghz 300mbps 4 Antennas Smart App Control Wireless Routers Repeater Network Extender For Home Office Gia Cạnh Tranh

Ce32ldy1 B Find Help

Amazon Com Ab 2 Way Switch Box Rj45 Female Computers Accessories

Readme Bg

Cps 110 Cpu Scheduling Landon Cox February 7

Exciton Polariton Spin Switches Nature Photonics
E Sonoff Rfr3 Wifi Diy Smart Switch 433mhz Rf Control Timer Light Controller App Wireless Remote Con Shopee Philippines

Sales Guide Dgs8000 Series Chassis Switch Dlink Hq
E Xiaomi Youpin Tokit Smart Induction Cooker Oled Display 99 Gear Heat Weighing Cooker Kitchen Appliances Work With Mijia App 2v 2100w Shopee Philippines

A Design Of The G And P Series Peptide Libraries B Peptide Download Scientific Diagram

Eagle A B Switch Coaxial 2 Input Slide Switch 75 Ohm Uhf Vhf Fm Coax Ab 15 Ebay

Retrotouch Rts05 Mechanical Light Switch 4 Gang White Amazon Co Uk Lighting

Switching Logic A Hysteresis Switching And B Critical Point Download Scientific Diagram

Cps 110 Cpu Scheduling Landon Cox February 7

Delonghi Icona Eco310 Eco310r Ecov 310 Gr Eco310w Eco310 Bk Ecov 310 Bg Operating Instructions Manualzz

Sonoff Smart Switch Sonoff Mini For Living Room Study Bedroom App Control Timing Function Mini Style Wifi Wired Wireless 100 240 V 21 10 49

Panel Data Econometrics And Gmm Estimation

Product Overview Welcome To Munich Netgear S Product

9 Wires Scooter Gy6 B08 Right Disc Brake Handle Switch With Kill Switch Scooter Electrical Switches Relays Bennysberries Auto Parts Accessories

Switching Logic A Hysteresis Switching And B Critical Point Download Scientific Diagram

Pdf Analysis Of The Possibility Of Transport Mode Switch A Case Study For Joinville Students
E Sonoff 4ch Pro R2 Wi Fi Smart Switch Wireless Remote Control Switch Compatible With Alexa Google Assistant Diy For Fan Shopee Việt Nam
X800 3 5g Mobile Phone User Manual X800 Forfccverify E E Ten Information Systems

Cps 110 Cpu Scheduling Landon Cox February 7

Solved 10 True Or False A G Is An Eigenfunction Of A L Chegg Com

Product Overview Welcome To Munich Netgears Product Lines

Product Overview Welcome To Munich Netgear S Product

Ignitors And Power Switches For Hid

Pdf The Role Of Functional Heads In Code Switching Evidence From Swiss Text Messages Sms4science Ch

Phlipton Wifi Modular Smart Touch Switch For Home Automation Compatible With Alexa And Google Home App Controlled Roma Black 2 Touch 16a Amazon In Home Improvement
E Sonoff Rfr3 Wifi Diy Smart Switch 433mhz Rf Control Timer Light Controller App Wireless Remote Con Shopee Philippines

Pdf Shedding Light On Disulfide Bond Formation Engineering A Redox Switch In Green Fluorescent Protein
E Original Xiaomi Mi Wifi Router 4c 64 Ram 802 11 B G N 2 4ghz 300mbps 4 Antennas Smart App Control Wireless Routers Repeater Network Extender For Home Office Gia Cạnh Tranh

Indesit Wil 85 Ex Bg User Guide Manualzz

Sales Guide Dgs6600 Series Chassis Switch Dlink Hq

Nintendo Switch Ui Font Free For Personal

Nintendo Switch Ui Font Free For Personal

Philips Em1a Specifications Manualzz

Switching Logic A Hysteresis Switching And B Critical Point Download Scientific Diagram

Ac2v Relay Timer Module Switch Trigger Time Delay Circuit Timer Cycle Adjustabl Timer Delay Switch Module Relay Timer Module Timer Cycletime Delay Circuits Aliexpress

Pdf A Formal Grammar For Code Switching

Electronic Transport Behavior Of 1 Phenyldiazenyl Naphthalen 2 Ol And Its Derivatives As Optical Molecular Switches A First Principles Approach Sciencedirect

Ad Notam Lcd Dtv Manualzz
E Original Xiaomi Mi Wifi Router 4c 64 Ram 802 11 B G N 2 4ghz 300mbps 4 Antennas Smart App Control Wireless Routers Repeater Network Extender For Home Office Gia Cạnh Tranh

Product Overview Welcome To Munich Netgears Product Lines

Livro Resolvido Tocci 2 Docsity

Marsback M1 Keyboard Review Custom Switches Custom Keycaps Software Techpowerup

Cps 110 Cpu Scheduling Landon Cox February 7

Product Overview Welcome To Munich Netgear S Product

Nintendo Switch Lite Nintendo Switch Family Nintendo

Amazon Com Brocade Fastiron Gs 648p Poe Stk Switch 48 Ports q Category Network Switches Computers Accessories

G Series Acson International Manualzz

How To Type E Other Accent Marks On The Iphone Keyboard
Se659 Us Dect Phone Base User Manual Users Manual Philips Consumer Electronics