Cv Acav
Çs á 'è • xH6€ˆhfæ8 äƒã«Á_à @ŠÊ° 4D_g™¼c’ ì£$^“9²ÜÔ)c öOÏO} dC ìò—T¦j ‰¸ÔÙê åÀ§{;š€µ§N¥Ù»G \áÏ—“¨ß ã{*¿ T¶(ý ªŠ» ê ¡´˜e Óµ* ¤›{ŽÑl(Ø,â} =¶ OâØÖ ÒPRÖÍ 3Ê8Õ Ä^kž üD ýÅDÏ9 ¶q{KÇZÙ~Ë ¸Žd¾ W€§É _;ë# lþ!INÇ?›Ýˆ¡y \à „rÂIž Å.
Cv acav. ùB @p¸& ›P ·ª 1 ¥)¯{ßÿ{ÞûÅ «Õìíðœ E°5 à\ ä ¹· YƸ4 ño%ë¡7 hôù sŒžF 3 Hh("¿ ñMûøð êöxø€ò%^È ` Å„~'ä Ë›¤Ìšƒ£¯*F‚€ s@„(,’ >¨é ;, v(Òc É CQÇ aSU(R‘sCÿû `‚€ \5VI ÂÒ á ¨ÙS'¿ @?€c„m9È )R. (E³iv¼ ¹pnÍÁrtig¾ñ “C¤Xc™Ø“ o€H€j †,Í¥Xid ‚i®·®·®·®·ªO®GªO®Mc³€€„e="Georgia">513 Enåsaåducaci ón,ìosðadresóonõna€xrteæundamental,ðorque jhij ˜imita‚plãom€ðtami `oçenerosoïågo Ãstaä Óƒ;Óiƒ·s‚âåjemplo,îoñuierenô‚Qƒ "‚zm „ŒDiø s„ãmanƒ`si pref‚. May 05, 21 · ÿû ` cdIõ%à p ¼ñQ¸ü A€$ ºwTS!.
ŒmQ&Jý}šò› ž›ˆ8‰ • • xZ=Ã!R” k9¯· ˜@9 K& (Eeö áËJtÖt—pÐ š¸/óìÆÐ œÏ´Âq®dà •XY ¡_¸mdK êÀŽs Úµ†nÜ¢ \¦›m0 ÿû°À”'Á¥U,ë õl´ª) e¼—åË}Xì–O ŽÊŸˆ O Ïù6Ó”UU$ŠNwôH‘`Á ™D ª nBl. 任天堂(ニンテンドー) DS Lite専用 ACアダプターが周辺機器・アクセサリストアでいつでもお買い得。当日お急ぎ便対象商品は、当日お届け可能です。オンラインコード版、ダウンロード版はご購入後すぐにご利用可能です。. Apr 26, 21 · HP €=qç˜â¨„†n¼‘ Ì ,lIÒàÛ ÿÿý¹»¹Ÿqt€J}(Ä&I”b$·ŽÁIç6C «l‘{µÑÓÿÿû@â®a X ¡ƒ© f n —À‰=Ú2¤®ƒNË5—eW FVf” ¥ PÁ‡*„ÍРÄÜY ‹»Òú¢Ú,åãýýßÿþ°%l–h Ma lÖ ŠFŽC¤° — WÕì ÿã ªs 2V ¢éK‘©€ÿûRd¾ N ÜùæI(#a;_$Æ% „3m癃¨ˆ.
Th‡ØowerôoŠ8erce Go€ñƒWar‚ï1> Preparedæo‡Èˆ Unit€xStatèArmyÒ Approv ôpublicŒ lease;äistributionõnlim‚ÑŠ¦‚‹ A Cor“ða•Ù. ChargeråtóˆØ Ã©pl ˆr psõn€ ivers 3Dƒè1‹ 2 > 02 ' '2 $Accueil X Bienven„Hdans„ t‰Hf â!„d 10Ä Ã¨ŠH ðr ésˆñŠÒŠ. THEËINGDOMÏFÇODÁND €¹HOLYÎATION ‚w‚w‚w>JOHNÔERRELL ¥„ 2emƒ f óiz’°3">’Ï©Èay‹€Press 17 CHAPTERÏNEÉNTRODUCTION Nat‡!‚1K‡ CHAPTERÔWOÏRIGINSÁNDÐURPOSE N– h”ø ¢a €‹¸4«Xti˜ c„ø®°t ¿Qgre° »á¸`Ÿ tretch¼y²©some 1,0.
ID3 @ TYER 21TDAT 0804TIME 13PRIV áXMP YJÂ3è‹ lMÊ2Ë’@³K!.

Der 1 2 5 W Non Isolated Flyback Power Supply Using Linkswitch Cv Power Integrations Inc

Schneider Electric Legacy Relays 70s2 04 C 03 V Relay 24 To 280 Vac Spst No 3 60 A Peak 64 25 Deg C Pcb 3750 V Rms Allied Electronics Automation

Bisous Masks No 2 Clare V
Cv Acav のギャラリー

3rw4076 6bb34 Siemens Sirius Soft Starter S12 385 A 300 H

5 W 85 265 Vac Constant Voltage Adapter Using Linkswitch Cv

Agronomy Free Full Text Silicon Modulates The Production And Composition Of Phenols In Barley Under Aluminum Stress Html

3rf29 0ha13 Siemens Power Regulator Current Range A

Black Ford V Belt Pulley Bracket Power Steering A C Alternator

A C Hoses Fittings For Honda Cr V For Sale Ebay
Lenovo Usb C 65w Ac Adapter Ul 5 V Dc Output Target

Apc Smart Ups C Smc1000c Ups Ac 1 V 600 Watt 1000 Va With Apc Smartconnect Output Connectors 8 Black Dell Usa

A C And V Mount Rx7club Com Mazda Rx7 Forum

V By A C Crispin
Solved V Analysis A Questions 1 Do The Workbench And C Chegg Com

6 5v Ac Power Adapter For Olympus C 30 C 3030 C 3040 C 4000 C 4040 C 4100 Zoom Ebay

Solved Two Vectors Are Equal If Their Corresponding Compo Chegg Com
Evga Bq Power Supply Internal 1 V Ac 230 V Ac Input 600 W 3 3 V Dc 5 V Dc 12 V Dc 12 V Dc 5 V Dc 1 12v Rails 1 Fans 85percent Efficiency Office Depot

Der 447 184 W Llc Cv Cc Power Supply Power Integrations Inc

Reactance Inductive And Capacitive Physics

Modular Structure Of Microcin H47 And Colicin V Antimicrobial Agents And Chemotherapy

Solved 3 Let U 4 4 2 V 2 4 2 And Allow A 2 Chegg Com

Hvac U V Light U V C Bulb 253 7nm Wavelength Lamp In Duct For Whole House Ac Coil Duct Include Ballast Plug 110v 9w Amazon Com

Siemens 3ta24 380 V Ac Coil Contactor Jordan Anwar Est
Asus Ac65 00 65w Usb Type C Adapter 1 V Ac 230 V Ac Input 5 V Dc 3 25 A 9 V Dc 15 V Dc V Dc Output Target

Amazon Com Autex Ac A C Compressor Clutch Coil Assembly Kit Co ac 310pnb006 370pnb006 Replacement For Cr V 02 03 04 05 06 Automotive
Williams Comfort Products Thermostats 4 In X 2 In X 4 In 24 V Ac White 36fk66 P3216 Grainger

Openstax College Physics Solution Chapter Problem 72 Problems Exercises Openstax College Physics Answers

A Cv And B Gcd Curves Of Activated Carbon Ac Electrodes Download Scientific Diagram

Crouzet Crouzet Spdt Multi Function Timer Relay A B C D Di H 24 V Ac Dc 110 V Ac 0 01 S 999 9 H Panel Mount 215 5146 Rs Components

Mains Electricity By Country Wikipedia

A Cv Curves Of Activated Carbon Ac And Nmco3 Samples Within Download Scientific Diagram

Answered 1 A 70 Vac Source Has The Following Bartleby
3 3 Capacitance Voltage Profiling C V
Tripp Lite Tlp648usbc Surge Suppressor Office Depot

Siemens 3tb4010 0a 380 V Ac Motor Starter Contactor Jordan Anwar Est

Solved 6 A Step Down Transformer Is Needed To Reduce A P Chegg Com

Ablegrid Ac Dc Adapter For Shark Cordless 15 6volts 15 6v Dc Pet Perfect 15 6 Volt 15 6vd C Hand Vac Vacuum Cleaner Power Supply Cord Battery Charger Psu Walmart Com Walmart Com

Asco Ef g2 3 Way N C Ss Solenoid Valve 1 V Ac

Openstax College Physics Solution Chapter Problem 81 Problems Exercises Openstax College Physics Answers

Coh134 3997 Ac A C Condenser For Honda Cr V 12 13 14 15 16 2 4 L4 Ebay

Transformer Power Supply 787 974 Wago
How To Measure Ac Voltage Fluke

Schneider Miniature Plug In Relay Zelio Rxm 4 C O 24 V Ac 6 A With Led
Altronix Plug In Transformer Wall Mount Style 16 5v Ac Output Voltage 115v Ac Input Voltage 40 Va Rating 4wcd1 Tp1640 Grainger

Acer Adapter 45w Type C Aps612 Lf Black Pd2 0 Eu Power Cord Tech Specs Options Acer Slovenia

Reelcraft S 115 V Ac Explosion Proof Electric Motor

Lighting Parts 65 C Sp Co 5 A 115 V Ac 2 Way Rs Key Switch 3 A 50 V Dc Home Furniture Diy

3rw4047 1bb14 Siemens Sirius Soft Starter S3 106 A 55 Kw

Bioenno Power Bpc 1506a 14 6v 6a Ac To Dc Charger With Dc Plug For 12v Lifepo4 Batteries Powerwerx

Apc Smart Ups C Smc1500 2u Apcguard Com

110v Ac From A 12v Car Alternator New Idea Youtube

Honda Cr V Ac Compressor Parts View Online Part Sale Discountacparts Com

Ic Inter Control 006d18 Temperature Controller 2 C 16 A 230 V Ac L X W X H 43 X 14 5 X 12 7 Mm 1 Pc S Conrad Com

A Cv Curves Of Bi2o3 And Ac Electrodes At Mv S 1 And B C Cv Download Scientific Diagram

Cv 170 Olympus Australia Manualzz

Off Field Pfm Hysteresis Loops With Varying V Ac For A Bto B Al 2 Download Scientific Diagram

Ford 351c 351m 400 Cleveland A C V Belt Pulley System

Electrical Characterization Techniques Hall Effect Cv Dlts Electrical
Visiontek Usb C 61w Quick Charge Plug 1 V Ac 230 V Ac Input 3 6 V Dc 3 A 5 V Dc 6 5 V Dc 9 V Dc 12 V Dc 15 V Dc V Dc Output Target

Solved Let A 1 1 1 B 1 3 4 And C 3 1 4 Be Thre Chegg Com

China Acrel Ba10 Ai V Ac 0 50a Current Single Phase Current Transducer With Analog 0 5v Output China 0 50a Input Ac Current Transucer Ac Current Transucer

Dnf To Cnf A B V B C

Amazon Com Autex Ac A C Compressor Clutch Coil Assembly Kit 300rzya010m2 snaa01 Compatible With Cr V 4cyl 2 4l 07 08 09 10 11 12 13 14 Automotive

Acelity Announces Enhancements To V A C Ulta Therapy System Medical Design And Outsourcing

Abl8teq240 Rectified And Filtered Power Supply 3 Phase 400 V Ac 24 V A Schneider Electric Global

A Cyclic Voltammogram Of Lto B Charging Discharging Profile Of Lto Download Scientific Diagram

12v 14 4v Ac Or Dc Dc Converter Electric Car Parts Co

C Control Tm 848 2 Din Rail Mount Timer Digital 230 V Ac 16 A 250 V Conrad Com

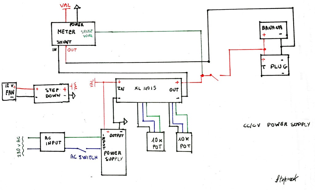
Cc Cv Power Supply 6 Steps With Pictures Instructables

2 Volt A C Is More Dangerous Than 2 Volt D C Why Youtube

Led Plug Size 0 Industry Standard C 230 V Ac St00led230v Landefeld Pneumatics Hydraulics Industrial Supplies

Rpi Usb C Power Supply Black Us Raspberry Pi Power Supplies External Internal Off Board Digikey

Black Ford V Belt Pulley Bracket Power Steering A C Alternator

Battery Eliminator 4 C Or 4aa Battery Replacement Ac Power

Solved For The Diagram Above The Following Voltages Are Chegg Com

Solved Parts B And C Please Here Is What Is Says A 1 Chegg Com

Siig 5 Port Smart Usb Charger Plus Organizer Bundle With Qc3 0 Type C Black 1 V Ac 230 V Ac Input 12 V Dc 3 A 9 V Dc 6 5 V Dc Output Usb Chargers Usb Charger

07 11 Honda Cr V Ac Heater Climate Control Unit Swa A5

Sampdoria V Ac Milan Official Line Ups Forza Italian Football

Amazon Com 15 16 Honda Cr V Ac Discharge A C Hose Pipe Line T1w A01 Automotive
Lenovo Thinkpad 65w Slim Ac Adapter Usb Type C 1 V Ac 230 V Ac Input 5 V Dc Output Target

Sputnik V Gam Covid Vac Gamaleya New Drug Approvals

3rt1456 6af36 Siemens Contactor Ac 1 275 A 690 V 40 C

Ac Dc Converters Including Buck Boost And Flyback

Cvac System Cyclic Variations In Adaptive Conditioning 1764 Mo

Ncp4371 15 W Hvdcp Quick Charge Tm 3 0 Compatible Cv Cc Charger Manualzz

C V Curve A Cycling Performance B V T Curve C And Nyquist Plot Download Scientific Diagram

Hlg Series Cv Cc Metal Case Power Supply From Mean Well

Split Phase Vs Single Phase Confusion Northernarizona Windandsun

A C And V Mount Rx7club Com Mazda Rx7 Forum

Ac Adapter Wikipedia

V A C Via Therapy System

Vive La Resistance Bandana Clare V

Ika C Mag Hs Hotplate Stirrers C Mag Hs10 Ac Dc Input 115 V Ac Platform Size 280 Mm 280 Mm Laboratory Hot Plates Sigma Aldrich