Switch Wv I
22/09/19 · Switch vs Switch Lite caratteristiche tecniche Sotto un profilo prettamente tecnico, Switch e Switch Lite non differiscono più di tanto entrambe utilizzano lo stesso processore NVIDIA Tegra, con la differenza più eclatante che risiede nello schermo (62 pollici per il modello originale, contro i 55 pollici di Switch Lite) e di conseguenza nelle dimensioni e peso dello chassis.
Switch wv i. 04/04/17 · Cos'è uno switch Ethernet e come funziona l'esempio dei prodotti Netgear Caratteristiche evolute e garanzie. Sia la nuova Nintendo Switch V2 con una durata della batteria maggiore del 50% sia la compatta e più piccola Switch Lite sono attualmente disponibili in tutti i negozi Entrambe le console offrono un’ottima esperienza di gioco, ma hanno focus parzialmente differenti Ad esempio, Switch Lite è un sistema portatile pensato esclusivamente per la mobilità È un’ottima scelta per i più. Learn more https//unknownworldscom/subnautica/nintendoswitchannounceSign up to the Subnautica Nintendo Switch mailing list http//eepurlcom/haRxsT.
Acquista Nintendo Switch Console V2 Grigio al prezzo migliore!. I Hosted a 1v1 Tournament with NINTENDO SWITCH PLAYERS in Fortnite (100 subs)Drop a LIKE for more Fortnite Battle Royale Funny Moments Gameplay videos!👉 Sub. NETGEAR Switch PoE 8 porte Smart Managed Plus GS308EPP, Switch Ethernet con 8 x PoE parete 4,7 su 5 stelle 324 139,49.
Lo switch è un dispositivo di rete in grado di espandere una rete LAN originaria, così da poterci collegare un numero maggiore di dispositivi Esso opera ad un livello più basso rispetto alle funzionalità espresse da un router mentre quest’ultimo instrada i pacchetti tramite indirizzi IP , lo switch instrada i pacchetti verso la destinazione (host) leggendo gli indirizzi MAC. 27/08/14 · switch (variabile) Lo switch è come un controllore, tiene traccia di tutti i cambiamenti di una variabile Appena l’esecuzione del nostro codice arriva alla riga switch vede il valore della variabile tra le parentesi e se lo conserva per poterlo analizzare nel codice;. La linea Dell Networking di switch Ethernet a porte fisse offre fino a 40GbE di connettività con opzioni gestite, non gestite, gestite tramite Web e PoE.
Switch sm inv 1 ELETTR Interruttore, commutatore 2 ELETTRON Dispositivo a scatto che consente la scelta tra due o più impostazioni 3 FINANZ Proroga al me. 30/07/19 · Nintendo Switch Lite è stata creata appositamente per due principali motivi offrire una variante più economica a chi ancora non ha acquistato la console e dedicarla a tutti coloro che amano esclusivamente giocare ai titoli Nintendo in modalità portatileA differenza della sua variante classica, Switch Lite gode di una batteria molto più potente, che raggiunge un’autonomia media. 19/04/21 · Nintendo Switch Lite (Image credit Nintendo) (Image credit Nintendo) Realtà Virtuale e Realtà Aumentata Non è mai sembrato probabile che la Switch diventasse compatibile con AR e VR, e nel 18, un manager dell’azienda aveva spiegato che queste tecnologie non sono abbastanza diffuse da giustificare l’investimento.
Click this link 👉 https//bitly/3kDSFmZ and use code WOOD to get. Le migliori offerte per Switch V in Elettronica ed elettricità sul primo comparatore italiano Tutte le informazioni che cerchi in un unico sito di fiducia Chi cerca, Trovaprezzi!. #SwitchLITE #FreeGames #NintendoSwitchTop 10 FREE Games to play so far on your Nintendo Switch LITE in BUY Switch LITEUS https//amznto/33lSwN1Canada.
21/08/19 · Abbiamo testato la nuova Nintendo Switch per scoprire le migliorie apportate, in questa prima revisione della console ibrida, da parte di Nintendo. Switch is an American R&B/funk band that found fame recording for the Gordy label in the late 1970s, releasing hit songs such as "There'll Never Be", "I Call Your Name", and "Love Over & Over Again" Switch influenced bands such as DeBarge, which featured the siblings of Switch band members Bobby and Tommy DeBarge. Controller wireless Switch Pro per Nintendo, controller remoto Pro Gamepad, joystick per console Nintendo Switch, turbo e doppia vibrazione e compatibile con Switch Lite (Azzurro) 4,4 su 5 stelle 11 Nintendo Wii.
Moltissimi esempi di frasi con "switch" – Dizionario italianoinglese e motore di ricerca per milioni di traduzioni in italiano. ICIntracom offre ai propri clienti i seguenti prodotti Switch Disponibile inoltre un ampio catalogo di prodotti Switch e Router e in generale per l'informatica e l'elettronica destinati ai rivenditori Se non sei un rivenditore visita il sito ManhattanShop Leggi di più Leggi di meno. Trova una vasta selezione di Switch wifi a switch di rete a prezzi vantaggiosi su eBay Scegli la consegna gratis per riparmiare di più Subito a casa e in tutta sicurezza con eBay!.
Lo switch è un dispositivo di rete che si collega ad altri dispositivi e permette di creare una vera e propria rete di device collegati Netgear, TPLink e DLink sono solo alcuni dei brand specializzati in supporti di rete che puoi trovare su Trovaprezziit. 01/01/09 · Lo switch quindi non fa altro che eseguire l'istruzione xCount dove x rappresenta il carattere digitato nel caso in cui esso sia ammissibile altrimenti come descritto nel caso di default viene richiesto di inserire un nuovo voto. 08/12/19 · La Console Nintendo Switch, in origine conosciuta con la sigla in codice di NX, è stata distribuita in commercio da Nintendo nel 17 Questa versione è stata ideata come un ibrido tra una console casalinga e una console portatile, compatta e multifunzionale Il dispositivo si basa infatti su di un supporto in cartuccia elettronica, integrato all’interno di tutte le versioni portatili.
16/02/19 · La parola switch è seguita da un’espressione racchiusa tra parentesi tonde, ad esempio switch (a) Il risultato deve essere di tipo int o char Il resto del costrutto è costituito dai vari case con a seguire un’espressione (costante), separata utilizzando il simbolo dei due punti da una o più istruzioni Uso di switch case in C. Switch di rete Internet ha cambiato il mondo della comunicazione Oggi accedere al web è un´azione quotidiana, che realizziamo attraverso i dispositivi mobili, quali computer, smartphone e tablet che, grazie a router e hotspot, possono collegarsi alla stessa rete. Visita eBay per trovare una vasta selezione di switch wifi Scopri le migliori offerte, subito a casa, in tutta sicurezza.
Traduzioni in contesto per "switch" in ingleseitaliano da Reverso Context switch to, switch off, switch on, switchover, light switch. 01/06/19 · Dunque, se ieri gli switch in rame arrivavano a richiedere anche W (watt) per porta, sono nati dispositivi che consumano meno di 4 W per porta Dal punto di vista della latenza, invece, in funzione della dimensione dei pacchetti, il ritardo per gli apparati 10GBASET si aggira in un intervallo tra 2 e meno di 4 µs (microsecondi). Commutatore), nella tecnologia delle reti informatiche, è un dispositivo di rete che si occupa di commutazione a livello datalink (collegamento dati), il livello 2 del modello ISO/OSI, introdotto per ridurre il cosiddetto dominio di.
Uno switch (inglese 'swɪʧ;. Switch per data center Gli ambienti più complessi che richiedono switching Ethernet a 10 e 40 gigabit con funzionalità complete per livelli massimi di throughput e flessibilità. Switch to doing sth v expr verbal expression Phrase with special meaning functioning as verbfor example, "put their heads together," "come to an end" (change to doing sth ) passare a fare qlcs , optare per fare qlcs vtr verbo transitivo o transitivo pronominale Verbo che richiede un complemento oggetto " Lava la mela prima di mangiar la" "Non mi aspettavo un successo così.
I n 1 (El) interruttore m, chiavetta f, commutatore m, pulsante m, bottone m 2 (Ferr) scambio m, deviatoio m 3 (changing, switching) cambiamento m, mutamento m a lastminute switch un cambiamento all'ultimo momento 4 (slender rod for whipping, etc) bacchetta f, verga f, sferza f 5 (of hair) treccia f di capelli finti II vtr 1 fustigare, sferzare, battere con una verga. La funzione SWITCH valuta un valore, chiamato espressione, rispetto a un elenco di valori e restituisce il risultato che equivale al primo valore corrispondente Se non ci sono valori corrispondenti, verrà restituito un valore predefinito facoltativo Se non vengono trovati valori corrispondenti e non viene fornito alcun argomento predefinito, la funzione SWITCH restituisce. Nintendo Switch può trasformarsi, così troverai sempre dei momenti per giocare, anche quando sei impegnato È una nuova era, in cui non è il tuo stile di vita a doversi adattare ai giochi, ma la tua console ad adattarsi al tuo stile di vita.
Traduzioni in contesto per "switch in" in ingleseitaliano da Reverso Context We don't have a switch in America. 22/09/19 · Nintendo Switch Lite, il nuovo modello solo portatile della console giapponese, non dispone di uscita TV né, a quanto pare, dell'hardware necessario per. Traduzioni in contesto per "switch with" in ingleseitaliano da Reverso Context Rush was supposed to switch with you and go over your data on earth.
13/11/17 · Ciao a tutti, a causa di un problema con i joycon sto mandando la switch in assistenza, nella mail che mi hanno mandato c’è scritto che potrebbero formattare o cambiare la console, il problema è che così perderei il salvataggio di Mario Odyssey. Acquista online Console Nintendo Switch da un'ampia selezione nel negozio Videogiochi Selezione delle preferenze relative ai cookie Utilizziamo cookie e altre tecnologie simili per migliorare la tua esperienza di acquisto, per fornire i nostri servizi, per capire come i nostri clienti li utilizzano in modo da poterli migliorare e per visualizzare annunci pubblicitari, anche in baseai. Poznaj Nintendo Switch™, konsolę na której możesz grać w domu oraz w drodze Obejrzyj widea, dowiedz się więcej o grach i kup swoją konsolę.
Switch Gigabit Ethernet flessibili con porte upstream 10 GE per clustering iStack ed elaborazione dei servizi resilienti Possono essere utilizzati come switch di accesso o di aggregazione in una rete campus o come switch di accesso gigabit a densità elevata nei data center. My Nintendo Switch needed a fresh, clean new look So I broke it Sponsored by Satisfye!. IMMAGINE INDICATIVA DEL PRODOTTO la nuova V2 come unica differenza ha una migliore gestione dei consumi energetici e di conseguenza la durata della batteria in modalità portatile è più alta (da 2,56,5 ore a 4,59,0 ore) Con Zelda BOTW la batteria.
Com o seu místico companheiro, explore um vasto mundo interconectado e busque se vingar daqueles que destruíram o seu vilarejo Decay of Logos será lançado n. 1 W 24 V 5 A 6 A S8VKG124 240 W 24 V 10 A 12 A S8VKG 48 V 5 A 6 A S8VKG 480 W 24 V A 24 A S8VKG 48 V 10 A 12 A S8VKG S8VKG 3 Caratteristiche Valori nominali, caratteristiche e funzioni *1.

Pdf Design And Characterization Of Low Voltage Analog Switch Without The Need For Clock Boosting

Tru Components Las2gqf 11zdt W 12v S P Pushbutton Switch 48 V Dc 2 A 1 X On On Ip65 Latch 1 Pc S Conrad Com

Paulmann Touch Switch 60 W Max 12 V Max 12 V Kunststoff B X H X T 43 X 8 5 X 30 Mm Kaufen
Switch Wv I のギャラリー

Pepperl Fuchs Kfd2 Sr2 Ex1 W Switch Amplifier 247able

Greenandco Gc 350 Flush Mounted 2 Way Led Dimmer Switch 1 350 W With Boost Function White Greenandco

Eve Release Updated Eu Wall Switch With Thread Homekit News And Reviews

Solved Problem 5 W V C V 24 0 V C 6 00 Uf R 11 Chegg Com

Intellinet Ips 08g 95w 8 Port Gigabit Ethernet Poe Switch With Poe Passthrough Switch Buy Online At Shop Medialine Ag Dem Medialine Shop Fur Geschaftskunden

Easy World Moxa Tn 5508a Wv Ct T

Switch Epxe 230 V For Angle Grinder Metabo W 9 115

Power Outlet Box With Variable Mounting Bracket With Switch 230 V 3600 W 16 A Online At Hafele

Baas Usb Socket With On Off Switch 5 V 2 1a Ipx3

Switch Between Multiple Versions Stages Documentation
1 Channel Latching Relay Module W Touch Bistable Switch 12 V Electronics123

Buy Electroprime x 3 7v 2x Battery Holder Connector Storage Case Box On Off Switch W G5c4 Features Price Reviews Online In India Justdial
.jpg)
Pt 7528 Series Rackmount Switches Moxa

Mextronic Zigbee Switch Actuator Led Connect Zigbee Switch On Off 230 V To 0 W Amazon De Beleuchtung

Fayeille 2300 W 230 V 50 Hz Fernbedienung Led Licht Wireless Switch Modul Wlan Dimmer Smart 2 Amazon De Kuche Haushalt

Icasa Switch Actuator 1 Channel 230 V Max 0 W 400 W Compatible With Zigbee 3 0 Gateway Amazon De Beleuchtung

Yamatake Honeywell Micro Switch V 5214 D Switch W Roller Lever Actuator Ebay

Tn 4516a 4gtx Wv Ct T En Switches Tn 4500a Series Moxa

2 Pcs Plastic On Off Switch Battery Case Holder W Cap Black 4 X 1 5v 3 7v 2x Buy On Zoodmall 2 Pcs Plastic On Off Switch Battery Case Holder W Cap

Ps504 Mini Poe Switch 5 Ports 4 Poe Ports 802 3af Amazon De Elektronik

Nintendo Switch Wikipedia

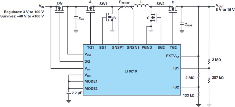
Sot 23 Switching Regulator With Integrated 1 Amp Switch Delivers High Current Outputs Analog Devices

Power Outlet Box With Variable Mounting Bracket With Switch 230 V 3600 W 16 A Online At Hafele
T5 Batten Fittings W V Tac Innovative Led Lighting Facebook

Aldebaran Xld 2c Switch 100 240 V Ip67 560 W En Setolite Lichttechnik Gmbh

A Schematic Of The Spst Switch With High Isolation Using Hbt Process Download Scientific Diagram

W Bus Converter Webasto Thermo Top V Evo Vevo Switch On With 12v Signal Eur 43 00 Picclick De

Smart Wall Switch With Neutral Smart Light Switches Aqara

Sensor Switch Wv Pdt R Wide View Senor White 12 24 Vac By Sensor Switch 1pc Lucky Wholesale Lighting

Led Power Supply 24 V Dc 12 W Round For Switch Box Lights Co Uk

6 A 2 W Switch S1 V Hosper 6 A 2 W Switch S1 V Hosper Exporter Manufacturer Distributor Supplier Delhi India

Buy 2 X 1 5v Battery Holder W Cover On Off Switch Online Robu

V Bucks Fortnite Nintendo Switch Nintendo

Wi Fi For Lora Switch A Simple Innovative Diy Engineering Solution Elektor Magazine
W Bus Converter Webasto Thermo Top V Evo Vevo Switch On With 12v Signal Aus Dem Ebay De Preisvergleich Bei E Pard

Robust Linear Sampling Switch For Low Voltage Sar Adcs Springerlink

Fsa2275 Dpdt 0 5 Hifi Audio Switch W Negative Swing Manualzz

Sot 23 Switching Regulator With Integrated 1 Amp Switch Delivers High Current Outputs Analog Devices

4 Switch Buck Boost Controller With Pass Thru Capability Eliminates Switching Noise Analog Devices

Epv Phase Dimmer Switch 1000 W Din Rail Dimmer 1 10 V Or Touching M1000 3 3 Also Suitable For Many Uses Phase Control Dimmer Led Din Rail Dimmer Amazon De Kuche Haushalt

Mrtg Routers2 Adding A Switch Weberblog Net
Smc Pfm725s N01l F Mna Wv 2 Color Digital Flow Switch For Air Digital Flow Switch

2 Humbuckers W 1 V Treb Volume 1 Dual Mode Tone Humbucker Control Pot Mode Switch Guitarelectronics Com

Moxa Tn G6512 8gpoe Wv T L2 Managed Ethernet Switch 8 10 100 1000baset X With 802 3at Poe And 4 10 100 1000 Baset X M12 Connectors Power Input 24 110 Vdc 40 To 70 C Operation Temperature Neteon

Ac 0 250 V Weiss Wand Led Licht Dimmer Control Switch W Led Treiber Amazon De Baumarkt
Acuity Sensor Switch Mounting Accessories Acuity Sensor Switch Wv 16 Wv Pdt 16 Hw13 Series Sensors 6fac1 Wv Br Grainger

Universal Plug With Switch

Solved In The Circuit Below R1 9 1 Kw R2 15 9 Kw C 175 Chegg Com

Mini Led Countdown Timer Switch Socket Outlet Plug In Time Control Eu Plug Wv Electrical Switches Electrical Outlets Switches Accessories

2 Way Pull Cord Switch Mosaic 10 Ax 230 V Up To 2300 W 2 Modules White 0 770 14 Legrand

2 Way Motor Valve 1 I I W O Limit Switch 2 V

Ehmann 4295x0700 T42 07 Flush Mounted Double Dimmer Switch With Cover 55 X 55 Phase Control 230 V 50 Hz Power Led 5 40 W 2x 15 110 W Va Amazon De Baumarkt

Valcom Call Switch W Volume Control White V 2991 W Valcom Uk

Efficient And Reliable High Voltage Switching Mouser

Joy It Rd6006 Nt Embedded Switch Mode Power Supply 400 W 60 V

Linux Switchdev The Mellanox Way Qrator Labs Corporate Blog Habr

The Elder Scrolls V Skyrim Nintendo Switch Big W

Legrand 2 Way Switch Arteor With Indicator 10 Ax 250 V 1 Module White

Deutsche Telekom Speedport W 925 V Wireless Router Dsl Modem 4

M 122 Twilight Switch 12 V Dc At Reichelt Elektronik

Roland V 02hd Pac2 Mutli Format Hdmi Micro Switch Bundle W Dual Foot Fleet Pro Sound

Switch Hre On Off Sensor Ir Infrared Motion Sensor Movement 12 V 36 W Amazon De Kuche Haushalt

Cisco Nexus Vxlan 48 Port Sfp Switch W 6xqsfp28 N3k Cpc V

Creating A Virtual Switch With Hyper V Manager Abou Conde S Blog

Tmr 5006 Lantech Communications Europe

2 Pcs Plastic On Off Switch Battery Case Holder W Cap Black 4 X 1 5v 3 7v 2x Buy On Zoodmall 2 Pcs Plastic On Off Switch Battery Case Holder W Cap

On Off Spst Carling Rocker Switch With Red Top And Blue Bottom Led Xtc Power Products

Ethernet Switch Managed Tgrs T1 M12x Bp2 Wv Oring Industrial Networking Corp 12 Ports Gigabit Standard

The Switch With Two Local Nodes And Three Remote Nodes Download Scientific Diagram

8761a Coaxial Switch Dc To 18 Ghz Spdt 12 To 15 V Keysight

Ptk4060 Protek Rc Electronic Switch W Voltage Cutoff Michael S Rc Hobbies

Rdr 641 40 W Variable Output 3 V To 8 V 5 A 8 V V Constant Power Supply Using Innoswitch3 Pro And Microchip S Pic16f125 Microcontroller Power Integrations Inc

High Current Dc Switch

Ps5081e Poe Switch With 9 Ports 8 Poe Ports 802 3af 48 V 96 W Transmission Up To 250 Meters Amazon De Business Industry Science

On Off Spst Momentary Carling Rocker Switch With Amber Bottom Led Xtc Power Products

Legrand 2 Way Switch Arteor With Indicator Ax 250 V Round 1 Left Modules Magnesium

6000 W Energy Saving Switch Voltage 180 280 V Rs 950 Piece Ace Controltech System Id

Pressure Switches Temperature Switches Timmer Gmbh

Switch It V Smoove Serg Sniper Vinyl Recordsale

Pos 150 12 C Switching Power Supply Case 150 W 12 V 12 5 A At Reichelt Elektronik

Ledvance Led Driver Dip Switch Performance Led Treiber Konstantstrom W 500 Ma 25 42 V Kaufen

Product Catalogue Basic Devices 1p 16ax Reversing Switch Linea Vimar Energia Positiva

Baas Usb Socket With On Off Switch 5 V 2 1a Ipx3
Smc Zsecf V N02l W High Precision Digital Pressure Switch Vacuum Switch Zse30 Zse30a

Tpgs R6608xt Lantech Communications Europe

Carling On Off Single Pole V Series Rocker Switch W 12v Red And Green Lamps V1d1 3
Smc Iseb V 01 W 3 Screen High Precision Dig Press Switch Pressure Switch Ise1 6

Robust Linear Sampling Switch For Low Voltage Sar Adcs Springerlink

Vrd2gxxc Pzcag 1xx Xwam1 Carling V Series Sptt Sp3t On On On Rocker Switch W 2 Leds

Napa Echlin Rs 02 Red Illuminated 12 V Rocker Switch W Chrome Frame Nos Ebay

Dl F 1mo W V Kronenberg

Aldebaran Xld 2c Switch 100 240 V Ip67 560 W En Setolite Lichttechnik Gmbh