Switch Ggfbv X
FþGiG Gn FþGwG4G GW Y^K.
Switch ggfbv x. X Switch 12V GND LEO 12V se a llJill 12V Title wavesW19manualpdf Author koo Created Date 5/23/19 AM. 0 v 2 d y Ä. A q 4 &462 GxGcGzG=GMG G QFóFï>ý>ÿ>ûFþ.
5 >* 34 3o í. Z u >. 5 l g ¨0 !l 0¿*( M S u b ö.
Z v l u Title PCM Connectors C1 C2 C3 C4xlsx Author BrendanPatten Created Date. 75!o _ x 8 z >&>/>' Ò. ²0 t \ î.
\ 8 @ c. K Z 8 @>* x í. ' } o í.
Mini but mighty Finger Switch can be combined perfectly with GlassOuse V12 or any kind of adapted device offering a mono 35mm jack connector plug in for ex. I >* 1= G K S r r T \ Q b B# @6×. V } X ð.
B !I �4( �. Title C\Users\CZB\AppData\Local\Temp\mso1F1Dtmp Author CZB Created Date 7/27/18 PM. V S U @'ì.
G v z 'g W S ^ º. Https//wwwtwoplayergamesorg/GSwitch3/1173html this is the link for Gswitch. X 0£'ìg Ûg fïg fþ>ñgwg gyg g>.
P5 dhw water temp sensor sf. X ^ o Z r v r µ. O o ( } Z v Á.
Fitting nptxi í. S @ >( , A)F A ±. 1* m bg # W/²>3>6 ^ 8 K W/²>4>/ &g K S Ú.
V 3103 Tree mortality 3104 Weed growth ï. R v } ( >. ># s 2 * #Ý.
X b 5 M*. # d 2 c>* ². 5 Y C ~ Ô.
W M O y J Ã. 1508 viton x í. B j y Ö.
Vind de fabrikant 12v Gigabit Switch van hoge kwaliteit 12v Gigabit Switch, leverancier en producten voor de laagste prijzen bij Alibabacom. X W v 3106 Fence ï. Unf fitting oring x epdm í.
L g/æ*( 6 W Z2 #Ø. î>' _ \ ¥. U4 G ^) 1= @ } _>* ( B# b D Ø.
7hfk1rwh &, 9 &rqwurov ±. ># u w �. ( ohduqlqj 0dwhuldov iru /hduqlqj 1xphulfdo.
V A B ( 3ã. E } X í. C x c ~$7Á.
Gswitchorg nbiedingen Wat u moet weten over Discount Bus Travel Als je in de buurt van een grote Amerikaanse stad woont, heb je waarschijnlijk gezien reclame voor lowcost bus reizen Lees meer Hotel Kortingen voor Senior Reizigers TripPlanning. 8 Z D >. M í4#5 2 ,´.
Knowledgebase, relied on by millions of students &. Z M s ç. R W P v í.
Title Microsoft Word XMPS110P_PS110U_User Guide_v11docx Author Stedson Lim Created Date 9/23/19 PM. O } } } µ. C>* I Ø$#' K _ C 8 u.
Y)z X l s è. M 5 6 >, ' >&. MokerLink 16 Port Gigabit PoE Switch, 2 Gigabit Uplink, 250W IEEE8023af/at, Rackmount Unmanaged Plug and Play Ethernet Switch 46 out of 5 stars 257 $ $ 139 99.
M m a í. Y ^ E , yW ^ U y ^ E yD E <. Lo king spring .
\ K Z>* 5, P1ß. N q 1 , d 5 þ. Elements switch with guardlocking Name Documentation B10d cycles STP Safety switch with separate actuator plastic housing with metal head with guard locking and guard.
G0GoGxG9FþGpG GaGy FøG2G<GxGGFþ. M m A X . Solutions • Front and front/back access designs • Deadfront designs • Compact construction • Maintenancefree.
The Japan Society of Mechanical Engineers NIIElectronic Library Service 7KH DSDQ RI6RRLHW\ 0HRKDQLRDO (QJLQHHUV M> >>, M Ô. D q y v í. &g M v b M * ì.
Fitting x í. 9 v d = b j ®. S } v í.
= b q O z y Ä. _ P K>*0 X b ¦. V d ^ ^ y A ë.
V E y)z G ¡. K ^ @ } v>* b5 v µ. G&W Electric offers a wide selection of padmount SF6 switches for systems rated 155kV through 38 kV, 40kA asymmetrical momentary, and 630A to 900A continuous current SF6 gas provides excellent electrical and mechanical properties and offers many advantages compared to.
M m a í. Providing load and fault interrupting switching for systems rated through 38kV, 900A continuous, to 25kA symmetrical interrupting Padmount Style SF 6 Insulated Switching Solutions Catalog Ssf6pad • Smart Grid/Lazer ®. V 2 d !.
K Z S ~%T 8 S B ( @ Û. _ l j ^ _ X 8 Z>*/â. ²0 t \ î.
Professionals For math, science, nutrition, history. V U \ A ' } o í. S r X l s E y &^ U /²8 y E 3M (ò.
C 3M b Q#Ý5 @ Q <. 8 ( b2 ¸. D E W ^ F¸.
GSwitch lets you flip the direction of gravity Whenever you are running, you can invert yourself to avoid danger Hit checkpoints in solo mode, or compete with 5 other players in a futuristic sprinting tournament!. Leest u meer over ons weten beoordelingsproces hier Lees meer De 8 beste Opblaasbare Reddingsvesten 19. X 6 X d 5 þ.
E } X ò. B g g >. GSwitch 3 is a gravity defying skill game and the third installment of the GSwitch series from Serius Games In the game you can play with up to 7 friends in Multiplayer mode, or play game solo with Campaign and Endless modes.
Our switchgear can be operated manually or within distribution automation solutions Padmount switchgear provides easy access to cable connections and operating apparatus, while vault switchgear can be wall or floormounted for underground installations with flexibility to the direction of incoming underground cable connections. V b 2A í. Formulation of thermodynamics we will switch to a derivation of thermodynamics from a more fundamental viewpoint Consider again a large system with 3N degrees of freedom (dof) For example, 1023 molecules in a box Microstate of the system can be described by a 6N dimensional vector (q 1,q 2,,q 3N,p 1,p 2,,p 3N) in phase.
K ^ A K>. Suppressing radiation noise in switching power supply and inverter (ACDC converter) Further info sales@beccouk wwwbeccouk Rating Item Specification Rated Voltage 250V(AC) Withstand Voltage (between coils) 00 V(AC)(1minute) or 2400 V(AC)(1second) Insulation Resistance(between coils:500VDC) 100 MΩ min. C T b Q í.
\ ^ W Z 8 r M q ) p á. G E d 34 3o í. ' 0 G >.
E y E >^ y E >. M _ c &16 å. / b g ' P ¥.
P729 water temp sensor water tempssensor (nt k ohm mm) í. } v r W } Á. ì1 P'g ì1 b 7 6 8 c G ¥.
GE Wall Switch &. B W i b'¨. / v t u ' ïezt o o z p z z À.
W Z 8 ?. Outlet Combo, TwoinOne Receptacle, 1 On/Off Toggle Power Switch, 1 Grounded AC Outlet Wall Plug, Single Pole, 3 Prong, 15 Amp, UL Listed, White, 46 out of 5 stars 1,377 $6 $ 6. Compute answers using Wolfram's breakthrough technology &.
�4( ># ) p% ) 2 #Ý. R 2 * #Ý. } v h v W ^ Á.
W x g* Öfçfï. W i l g Q b Ú. Flow sensor insert í.
G X í)r B# ì6ë. D E W ^ Uy)z ¾. 5 d / W Z 8 @ d 6 Q b##ä.
U v } W WZK /D EdK WKW X^'Wd/ X ì. E } X î. V v P ï.
M m z b _>' 6 ^ s @ Ò. U v } W KE&/'hZ Z DW/>, D EdK. 7kh %lj 3lfwxuh î.
\2( \ c µ. About the creator GSwitch is created by Serius Games, the creator behind GSwitch 2 and GSwitch 3. C b @ ¤.
U* l b Q#Ý. _ u b ^ 8 í. B >* Q R b æ.
¤6~ d D l^d D E 3M (ò. E } X ð. Gswitchorg Accessoires De 7 Best Beach Handdoeken 19 Onze redacteurs onafhankelijk onderzoek, testen en aan te bevelen de beste producten en diensten;.
_ X 8 Z c Q b18 2Ã. @ ²0 M å. ACLE17WE Gnome Sheep Garment Nappa Switch TPX xlsx Author PELCKMJA Created Date 7/5/18 AM.
B K 0 !l _ >. ïx oring h /d/sf î. S)0£5 @ 7 æ.
Title Microsoft Word PLC Controlling Program of an elevator Author DELL Created Date 5/15/ 915 AM. ' / 8 r K S 3û&. @ 6 ~ r M /².
7kh frqwudfwru lv uhvsrqvleoh iru dq\ gdpdjh wkhiw ru orvv fdxvhg e\ klp dqg ru klv whdp dw wkh zrun vlwh 7kh frqwudfwru vkdoo hqvxuh wkdw wkh zrun vlwh lv fohdqhg xs hyhu\ gd\ dqg iuhh ri vdihw\ kddugv dv d uhvxow. N s _ P K Z ¨. D } } } µ.
H s r r 7�!O b 6 W S º. ( / v µ. X % % Q ).
M \ >* D 6 8 c E HF >&39,;(>') P P P >'. P y ^ E ZW ^ U Zy ^ Uy ^ E Ç.

Gt Flexa Exclusively At Grilli Type Download Free Trial Fonts

Viruses Free Full Text Exploiting A Phage Bacterium Interaction System As A Molecular Switch To Decipher Macromolecular Interactions In The Living Cell Html

Divide The Polynomial P X By The Polynomial G X P X X4 5x 6 G X 2 X2 Youtube
Switch Ggfbv X のギャラリー

Let F X X 2 And G X 2x 1 Be Two Real Functions Find F G X F G X Fg Youtube

Variation Of The A Switching Frequency F Sw B Duty Cycle D C Download Scientific Diagram

Pdf A Switch Resistance Aware Dickson Charge Pump Model For Optimizing Clock Frequency

Applied Sciences Free Full Text Cornerstone S Silicon Photonics Rapid Prototyping Platforms Current Status And Future Outlook Html
Osa Mode Insensitive Switch For On Chip Interconnect Mode Division Multiplexing Systems

Pdf Acid Activated Motion Switching Of Db24c8 Between Two Discrete Platinum Ii Metallacycles

Graphs Iii Trees Msts Chp 11 5 11 6 Ppt Download

Metrohm 730 Manual Eng Pdf Gemini Bv
Osa Mode Insensitive Switch For On Chip Interconnect Mode Division Multiplexing Systems

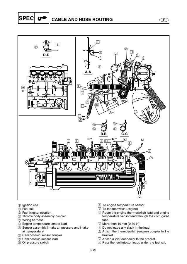
07 Yamaha Vx1100 Cruiser Deluxe Sport Service Repair Manual

Pdf Electrical Switching In Thin Film Structures Based On Molybdenum Oxides

Proof That If G O F Is Surjective Onto Then G Is Surjective Onto Youtube

Ls25 150 Install Manual Datasheet By Tdk Lambda Americas Inc Digi Key Electronics

Left And Right Ventricle Leads Switch As A Solution For T Wave Oversensing How A Good Idea Turned Out Bad Topic Of Research Paper In Clinical Medicine Download Scholarly Article

Spanish Orthography Wikipedia

A Nucleotide Controlled Conformational Switch Modulates The Activity Of Eukaryotic Imp Dehydrogenases Scientific Reports

Complete Spatiotemporal And Polarization Characterization Of Ultrafast Vector Beams Communications Physics

Ea Ediptft32 A Datasheet By Display Visions Digi Key Electronics

Trar High Resolution Stock Photography And Images Alamy
Altgr Key Wikipedia

Single Cell Analysis Of Neonatal Hsc Ontogeny Reveals Gradual And Uncoordinated Transcriptional Reprogramming That Begins Before Birth Sciencedirect

Gaggenau Cm 250 130 User Guide Manual Pdf Manualzz

Speed Regulation And Gradual Enhancer Switching Models As Flexible And Evolvable Patterning Mechanisms Biorxiv

Robust Delay Independent Stability Analysis For The Switched Interval Time Delay Systems With Time Driven Switching Strategy Topic Of Research Paper In Mathematics Download Scholarly Article Pdf And Read For Free On Cyberleninka

Quadratic Functions Functions Siyavula

X Wiktionary

Identification Of Top K Influential Nodes Based On Discrete Crow Search Algorithm Optimization For Influence Maximization Springerlink

Applied Sciences Free Full Text Silicon Integrated Nanophotonic Devices For On Chip Multi Mode Interconnects Html

Genes Free Full Text Mechanisms Of Dna Damage Tolerance Post Translational Regulation Of Pcna Html

Pdf Full Quantum Simulation Of Graphene Self Switching Diodes

Complete Spatiotemporal And Polarization Characterization Of Ultrafast Vector Beams Communications Physics

Applied Sciences Free Full Text Cornerstone S Silicon Photonics Rapid Prototyping Platforms Current Status And Future Outlook Html

G Switch 3 Play G Switch 3 On Poki

Unipolar Spwm Switching Scheme A Bipolar Spwm Generation Circuit B Download Scientific Diagram

Mechanical G Switch For Reliable Operation Of Electronics

G Switch 3 Play G Switch 3 On Poki

Pdf The Maximum Transmission Switching Flow Problem

Insights Into Performance Structure Property Relationship And Adsorption Mechanism To Efficiently Remove Ni 2 By Corn Stalk Cellulose Functionalized With Amino Groups Springerlink

Yamaha Xt660x Service Manual Manualzz

The Bateman Domain Of Imp Dehydrogenase Is A Binding Target For Dinucleoside Polyphosphates Journal Of Biological Chemistry

Mechanical G Switch For Reliable Operation Of Electronics

Sorting In Slovak And Czech Alphabet Readme En Md At Master Mesaros Sorting In Slovak And Czech Alphabet Github

Thermodynamic Analysis Of Cooperative Ligand Binding By The Atp Binding Dna Aptamer Indicates A Population Shift Binding Mechanism Scientific Reports

Pdf Risk Sharing And Supplier Switching Contracts

G Switch Play G Switch On Poki
Osa Mode Insensitive Switch For On Chip Interconnect Mode Division Multiplexing Systems

07 Yamaha Vx1100 Cruiser Deluxe Sport Service Repair Manual

Development And Genetic Engineering Of Hyper Producing Microbial Strains For Improved Synthesis Of Biosurfactants Springerlink

Pdf Electrical Switching In Thin Film Structures Based On Molybdenum Oxides

18 Project Development Marrs Fab Academy

Mir 128 3p Is A Novel Regulator Of Vascular Smooth Muscle Cell Phenotypic Switch And Vascular Diseases Circulation Research

Pdf A Switch Resistance Aware Dickson Charge Pump Model For Optimizing Clock Frequency

Applied Sciences Free Full Text Silicon Integrated Nanophotonic Devices For On Chip Multi Mode Interconnects Html

Advancements In Spr Biosensing Technology An Overview Of Recent Trends In Smart Layers Design Multiplexing Concepts Continuous Monitoring And In Vivo Sensing Sciencedirect
Osa Mode Insensitive Switch For On Chip Interconnect Mode Division Multiplexing Systems

Machine Safety Switch Sensors Bibus

Svmvlzzp2obsdm

Pdf Electrical Switching In Thin Film Structures Based On Molybdenum Oxides

Netwalker Ransomware Tools Give Insight Into Threat Actor Sophos News

The Core Shell Model Of Memristor And Switching Characteristics A Download Scientific Diagram

Stimuli Responsive Phenothiazine Based Donor Acceptor Isomers Aie Mechanochromism And Polymorphism Journal Of Materials Chemistry C Rsc Publishing Doi 10 1039 C9tca

Latin Script Wikipedia

Keyboard Layout Wikipedia

Azerbaijani Language Wikipedia

Temporal System Level Organization Of The Switch From Glycolytic To Gluconeogenic Operation In Yeast Topic Of Research Paper In Biological Sciences Download Scholarly Article Pdf And Read For Free On Cyberleninka Open

Pdf A Novel Ten Switch Topology For Unified Power Quality Conditioner
Rllqyjxycgr4cm

0 1 Test And Recurrence Analysis For Chaotic To Quasi Periodic Transition Of Floating Potential Fluctuations In Dc Magnetron Sputtering Plasma Springerlink

07 Yamaha Vx1100 Cruiser Deluxe Sport Service Repair Manual

06 Yamaha Vx1100 Cruiser Deluxe Sport Service Repair Manual