Wiek 3rd
May 05, 21 · ÉsDGtDGtDGtDGtDÇs » s i8J #ÊÒy†#ÆÒyŽ!œ¤áèLà ã¨,à iêÁ sŽ1Æœs Æœs BȘR 2 ƒÎIç¤sÒ9éœtŽ) •‚JAƤsP)Șt 2Æœ£ R )„ BëœÐJh sŒI )„ BJ.
Wiek 3rd. Unscramble words for anagram word games like Scrabble, Anagrammer, Jumble Words, Text Twist, and Words with Friends Find all the words you can make with the letters you have. ) * ' , ) !/1023 45"674=5)768@?. ± ± ± ± ± ± ± ± ± ± ± ± ± ± ± ± ± ± ± ± ± ± ± ± ± ± ± ± ± ± ± ± ± ± ± ± ± ± üDææ £´ ( ±cæ 5D ± ±ßæ üxD ±üDðü.

E Wikipedia

C Wiktionary
Charge Report Doc
Wiek 3rd のギャラリー

A Database Of Unconstrained Vietnamese Online Handwriting And Recognition Experiments By Recurrent Neural Networks Sciencedirect

Type French Accents On A Mac Lawless French Tips

Vati High Resolution Stock Photography And Images Alamy

Completely Regioselective N Tosylation Of 5 Acetyl 4 Aryl 6 Hydroxy 3 6 Dimethyl 4 5 6 7 Tetrahydroindazoles Springerlink

Afrikaans Wikiwand

S Wiktionary
4ba63 Gps Navigation System With Wlan And Bt Ble User Manual Tomtom Go Basic Tomtom Bv

Pdf Yeast Surface Display Of White Spot Syndrome Virus Vp28 对虾白斑综合征病毒vp28酵母表面展示

Mechanics Of Materials 3rd Ed By Beer Johnston Dewolf Chapter 1 Docsity

Pdf A New Control Design With Dead Beat Behavior For Stator Current Vector In Three Phase Ac Drives

Package The Institute For Logic Language And Computation

Linear Algebra With Applications 3rd Edition Nicholson W Keith Pdf Txt

International Phonetic Alphabet Wikipedia

E Wikipedia

Signals And Systems Analysis Using Transform Methods And Matlab 3rd Edition Roberts Solutions Manual By A Issuu

Tekst

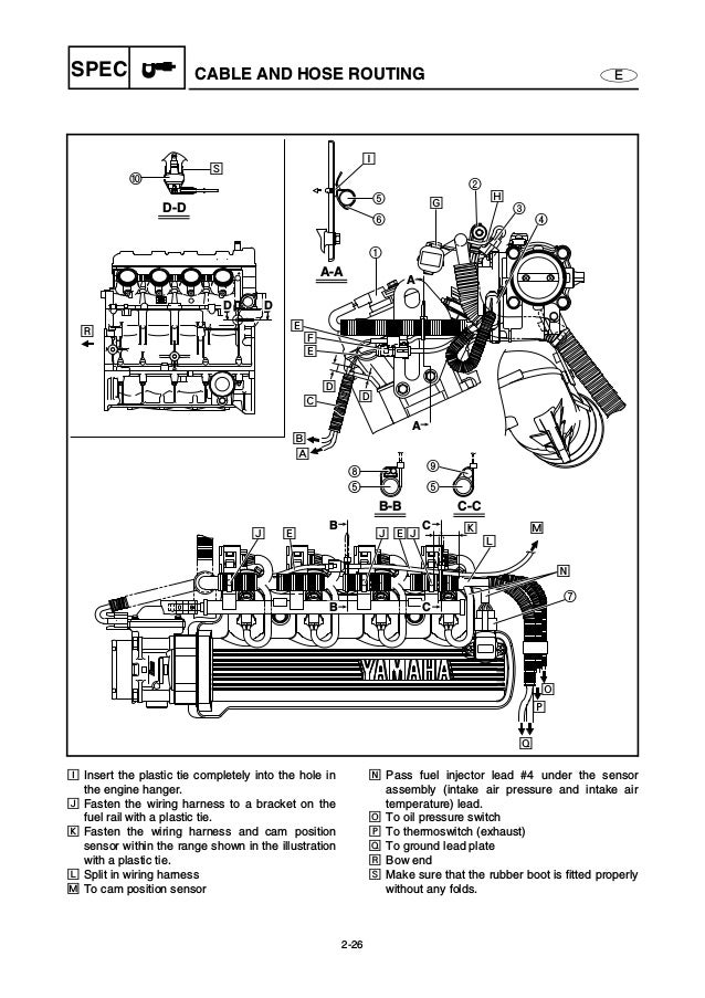
Yamaha Yfm660fr User Manual Manualzz

The Arab Times

Z A デスクトップの背景テーマehd

E Wiktionary

Getting Started Getting Started With Fontcreator

Brazilian Portuguese Phrasebook Wikitravel

Pdf 3 Dof Modular Eye For Smart Car

Whirlpool Fd 97 C 1 E Ice Fd 97 C 1 E Wh Fd 87 1 E Mr Fc 87 1 E Ix Fd 87 1 E Ice Fd 97 C 1 E Bk User Guide Manualzz

Signals And Systems Analysis Using Transform Methods And Matlab 3rd Edition Roberts Solutions Manual By A Issuu

I Wiktionary

Mechanical Vibration 3rd Edition Ss Rao Solution Manual Ch8 Resolucao Docsity

The Pronunciation Of Vowels With Secondary Stress In English

Yamaha Xv17asz Service Manual Manualzz

Untitled National Human Rights Commission

The Pronunciation Of Vowels With Secondary Stress In English

A Wiktionary

International Phonetic Alphabet Wikipedia

Thaµi Haµa As As Vedavyasabharati Org

Tonguesxtend Kiswahili French English

Linear Algebra With Applications 3rd Edition Nicholson W Keith Pdf Txt

Pdf Macroeconometric Modeling Modern Trends Problems An Example Of The Econometric Model Of The Russian Economy

Cyrustek Co Es5108 3 1 2 Digit Adc With Serial Output

Quick Minds 3 Techer S Book By Maxim Usik Issuu

Geoluvu H8n3jm

Authoritative Sources In Hyperlinked Environment Jon M Kleinberg

Pdf Physiologic Patterns Of Sleep On Eeg Masking Of Epileptiform Activity

Irfane Mazhab O Maslak 3rd Edition

Sustainability Free Full Text Opportunities For Cleaner Production Cp Using Process Flow Analysis Case Study Of A Furniture Manufacturer In The City Of Palhoca Sc Brazil Html

Mechanical Vibration 3rd Edition Solution Manual Solucoes De Mechanical Vibration Docsity

Calameo Jcb 3cx 4cx Jcb Engine 444 3 Skachat Na Www Imparts55 Ru

A New Adaptive Non Singleton General Type 2 Fuzzy Control Of Induction Motors Subject To Unknown Time Varying Dynamics And Unknown Load Torque Springerlink

Authoritative Sources In Hyperlinked Environment Jon M Kleinberg

06 Yamaha Vx1100 Cruiser Deluxe Sport Service Repair Manual

W Wiktionary

Http Www Felixonline Co Uk Archive Ic 19 19 0845 A By Ravi Pall Issuu

How To Write A Domain Name In Unix Unicode On A Pc Or Mac Windows On An Ipo Windows 7 On Pc Or Ipo 8 5 Windows 8 On Your Pc Or Pc

C Wiktionary
E Wiktionary

Linear Algebra With Applications 3rd Edition Nicholson W Keith Pdf Txt

Pdf Proceedings Of Fimi 03 Workshop On Frequent Itemset Mining Implementations Bart Goethals Academia Edu

Communication Systems Engineering Second Edition John G Proakis Masoud Salehi Docsity

1991 17 Pdf Document

Diacritic Wikipedia

7 5 Ton High Resolution Stock Photography And Images Page 3 Alamy

E E U ˆ I A N A A P A O H Thn An Pikh Y O O N I M O T H T A 2ae I Uo N Y O T H P I Z O M E N H Pdf Free Download
E Wikipedia

Workbook

Adorando
Alt Codes How To Type Special Characters And Keyboard Symbols On Windows Using The Alt Keys

Woman Mz T M Tœtœut Woman Etc W Aim 2o8 9 Sml Ta Tu Ti

Adalita Kannada Vtu By Jayateerth S Bhavikatti Issuu

Pdf Iaaaaiaeea Ineoieiaessaa Eiiiaaoessead Eiiiaaoee A Iaaaaiaeea E Ineoieiaee Innovations In Pedagogy And Psychology

Tonguesxtend Kiswahili French English

Afrikaans Wikipedia

Afrikaans Wikipedia

E Wiktionary

Pdf The Control Of Communicable Diseases In The Light Of Ahadith

06 Yamaha Vx1100 Cruiser Deluxe Sport Service Repair Manual

Solution Manual For Introduction To Nonlinear Finite Element Analysis

Uae Pbg Cxg I 人気の最高の壁紙無料whd

06 Yamaha Vx1100 Cruiser Deluxe Sport Service Repair Manual

University Calculus Elements With Early Transcendentals 1st Edition H

L C Pei High Resolution Stock Photography And Images Alamy

Pdf Pos Supported Bundle Block Adjustment

0 1 2 Ab C 4 D 294 9e F 294hg5e Fh 254 Ei Pq

J Wiktionary

Enabling Secure Auditing And Deduplicating Data Without Owner Relationship Exposure In Cloud Storage Springerlink

K A P I T A L Typeface By Superfried On Behance

K Wiktionary

Azerty Wikipedia

25 I A Uae 良い最高の壁紙無料thd

Chemical Kinetics 3rd Ed Keith J Laidler Pearson 1987 Cinetica Quimica Docsity